一、金属管浮子流量计结构原理 二、金属管浮子流量计使用与维护 8、对电远传及带报警限位开关的流量计在使用前,打开仪表盖,按接线图示正确接线。对于报警型的旋松限位开关处的螺丝,用户根据需要设定限位报警位置,并旋紧螺丝,复原后使用。
金属管浮子流量计是由下而上的流体通过直立的测量管时,浮子在压差的作用下上升、浮子上升的高度即代表流量的大小。并通过浮子中的磁钢与指示器中的磁钢耦合联结传递给指示器,带动指示器中的指针转动。
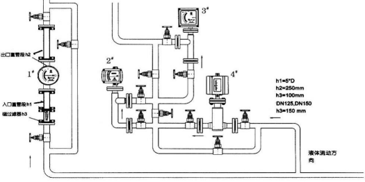
1、安装金属管浮子流量计之前一定要将管道内的焊渣、杂物清理干净。
2、流量计必须垂直于地面安装其倾斜度不得超过2°,否则会影响测量准确度。
3、为了确保流量计的测量准确性,应在流量计的进口端增加不少于10DN的直管段,出口端不少于5DN的直管段,测量时调节控制阀必须安装在流量计的下游。
4、若被测介质为大的脉动流或两相流,应在流量计的上游安装缓冲器来消除或减弱脉动,保证介质的流动是单相稳定的,同时,建议流量计最好使用阻尼型的。
5.若被测介质较脏或含有导磁颗粒时,应在流量计的上游安装过滤器或磁过滤器。
6、流量计的安装应能适当支撑管道的振动或减少流量计的轴向负荷,否则应增加固定流量计的支撑。
7、为了便于流量计的保养维修,磁过滤器的清洗以及用户管路的定期维护保养,建议使用旁路管道。当流量计用于气体测量时,应保证管道内的工作压力不少于5倍流量计的压力损失,使流量计能够稳定正常动作。 
9、按仪表指示器中的警示牌,取出运输中防止浮子振动的阻动件,复原后再使用仪表。
10、若开启流量计时,由于管道内没有压力或系统还未达到仪表正常使用的工作压力,必须缓慢开启控制阀,直到系统正常,仪表方可使用,否则容易造成指针跳动或浮子的突然撞击而损坏的现象。
11、用户使用时,若被测流体的密度与水不同时,或被测气体的参数和工作状态与制造厂家规定不同时应对流量计示值读数进行换算。
三、金属管浮子流量计常见故障及排除
Copyright © 2022 江苏恒辉仪表有限公司 版权所有 地址:江苏省金湖工业园区工一路16号 XML地图 苏ICP备15016604号-1 苏公网安备32083102000703号